°¬¸¥É­±´²©ballbet¹ÙÍø

Ó¢¸ñË÷À¼¿Õѹ»úÓ¦Óüƻ®
ÆäËû Ó¢¸ñË÷À¼¿Õѹ»úÓ¦Óüƻ®
Ó¢¸ñË÷À¼¿Õѹ»úÓ¦Óüƻ®

Ò»¡¢¿Õѹ»úÊÂÇéÔ­Àí¼òÊö

 

ij´óÐͽðÊôÖÆÆ·³§ÓÐÉϺ£Ó¢¸ñË÷À¼¹«Ë¾Éú²úµÄµ¥¼¶Ñ¹ËõÂݸËʽ¿ÕÆøÑ¹Ëõ»ú£¨ÒÔϼò³Æ¿Õѹ»ú£©4 ̨ £¬Òò²úƷתÐÍ £¬ÓÃÓîÁ¿ïÔÌ­ £¬¾­ÓÉÏÖ³¡ÊÓ²ìºÍ²âÊÔ £¬ÒÔΪ±£´æ½ÏÁ¿´óµÄ½ÚÄܿռä £¬Ëì¾ÙÐнÚÄÜˢС£¸Ã¿Õѹ»úÊÂÇéÔ­ÀíÊÇÓÉÒ»¶ÔÏ໥ƽÐÐÄöºÏµÄÒõÑôת×Ó ( »ò³ÆÂÝ¸Ë ) ÔÚÆø¸×ÄÚת¶¯ , ʹת×ӳݲÛÖ®¼äµÄ¿ÕÆøÒ»Ö±µØ±¬·¢ÖÜÆÚÐÔµÄÈÝ»ýת±ä , ¿ÕÆøÔòÑØ×Åת×ÓÖáÏßÓÉÎüÈë²àÔËËÍÖÁÊä³ö²à , ʵÏÖÂݸËʽ¿Õѹ»úµÄÎüÆø¡¢Ñ¹ËõºÍÅÅÆøµÄÈ«Àú³Ì¡£¿Õѹ»úµÄ½øÆø¿ÚºÍ³öÆø¿Ú»®·ÖλÓÚ¿ÇÌåµÄÁ½Í· , Òõת×ӵIJÛÓëÑôת×ÓÄö±»Ö÷µç»úÇý¶¯¶øÐýת¡£

Ô­¿Õѹ»úµÄÖ÷µç»ú¹¦ÂÊΪ 75kW Á½Ì¨ £¬90kWÁ½Ì¨ £¬ÐÇ - Èý½Ç¼õѹÆð¶¯ºóȫѹÔËÐÐ £¬Îªµä·¶µÄ¿ÕÔØÆô¶¯ £¬È«ËÙÔËÐС£Ô­ÏµÍ³¹¤¿ö±£´æÈçÏµļ¸¸öµä·¶ÎÊÌâ :

1¡¢Ö÷µç»úʱ³£¿ÕÔØ»òÇáÔØÂúËÙÔËÐÐ , Êô·Ç¾­¼ÃÔËÐÐ , µçÄÜÆÌÕÅÑÏÖØ¡£

2¡¢Ö÷µç»úËäÈ»ÐÇ - ½Ç¼õѹÆð¶¯ £¬µ«Æð¶¯Ê±µÄµçÁ÷ÈÔÈ»ºÜ´ó , »áÓ°ÏìµçÍøµÄÎȹ̼°Í¬¹©µçÖ§ÏßÉÏËüÓõç×°±¸µÄÔËÐÐÇå¾²¡£

3¡¢Ö÷µç»ú ¹¤ÆµÔË ÐÐʱ £¬¿Õѹ»úÔëÒô´ó¡£

¶þ¡¢±äƵˢÐÂÒªÇó

ƾ֤ԭ¹¤¿ö±£´æµÄÎÊÌⲢ͎áÉú²ú¹¤ÒÕÒªÇó , ¿Õѹ»ú±äƵˢкóϵͳӦ֪×ãÒÔÏÂÒªÇó :

1¡¢±äƵµ÷ËÙˢкóÓ¦¼á³Ö´¢Æø¹Þ³ö¿ÚѹÁ¦ÎÈ¹Ì , ѹÁ¦²¨¶¯¹æÄ£²»¿ÉÁè¼Ý± 0.02Mpa ¡£

2¡¢ÏµÍ³Ó¦¾ßÓÐ±äÆµºÍ¹¤ÆµÁ½Ì׿ØÖÆ»ØÂ· £¬ÒÔ°ü¹Ü±äƵ»ØÂ·¹ÊÕÏʱÄÜѸËÙÇл»µ½¹¤Æµ¡£

3¡¢ÏµÍ³¾ßÓпª»·ºÍ±Õ»·Á½Ì׿ØÖÆ»ØÂ· £¬Ñ¹Á¦±Õ»· PID µ÷ÀíÓɱ䯵Æ÷×ÔÉíÍê³É¡£

4¡¢Ò»Ì¨±äƵÆ÷Äܹ»¿ØÖÆÁ½Ì¨¿Õѹ»ú×é , ¿ÉÓÃת»»¿ª¹ØÇл»¡£

5¡¢Æ¾Ö¤¿Õѹ»úµÄ¹¤¿öÒªÇó , ϵͳӦ°ü¹ÜµçÄîÍ·¾ßÓкãת¾ØÔËÐÐÌØÕ÷¡£

6¡¢ÏÖ³¡µÄË¢ÐÂÒªÖª×ã EMC ÒªÇó £¬²»¿ÉÔì³É×ÔÉí×ÌÈÅ»ò×ÌÈÅÆäËû×°±¸¡£

7¡¢Ë¢Ðºóµç»úÈÆ×éζȺ͵ç»úµÄÔëÒô²»Áè¼Ýµç»úÔÊÐíµÄ¹æÄ£¡£

Èý¡¢±äƵÆ÷µÄÑ¡ÐÍ

ƾ֤ÉÏÊöÔ­Ôò £¬³§¼Ò¾­Óɶ෽µ÷ÑС¢½ÏÁ¿ , ×îºóÑ¡Ôñ°¬¸¥É­±´²©ballbet¹ÙÍøµçÆøMV300G ϵÁÐͨÓÃÐÍ±äÆµÆ÷ , ʹ¸ÃϵͳÄܹ»Öª×ãÉÏÊö¹¤¿öÒªÇó¡£

1¡¢MV300G ΪµçÁ÷ʸÁ¿ÐÍ±äÆµÆ÷ £¬µÍƵÁ¦¾Ø´ó £¬¹ýÔØÄÜÁ¦Ç¿ £¬ÔÚ 10Hz ÒÔÉÏ 1.5 ±¶µÄ¶î¶¨¸ºÔØ¿ÉÊÂÇé 2min ÒÔÉÏ¡£

2¡¢MV300G 75kW ÒÔÉϱêÅäÖ±Á÷µç¿¹Æ÷ £¬¿ÉÓÐÓýµµÍÊäÈë²àг²¨ £¬ïÔÌ­×ÌÈÅ¡£

3¡¢MV300G ¿É½ÓÊܵÄÊäÈëµçѹ¹æÄ£²¨¶¯´ó £¬´Ó½»Á÷ 324 £­ 520V ¶¼¿ÉÒÔÕý³£ÊÂÇé

4¡¢¿Í»§¿¼²ìÁË±äÆµÆ÷µÄÖ÷ÒªÒªº¦Æ÷¼þ £¬ÈçÕûÁ÷ÇÅ £¬Äæ±äÄ£¿é £¬µçÈÝ £¬Ö÷оƬµÈ £¬ËùÓнÓÄÉÌìÏÂ×ÅÃûÆ·ÅÆ £¬ÊDzúÆ·¿É¿¿ÐԵĻù±¾°ü¹Ü¡£

5¡¢Ë¼Á¿µ½ÒÔºóÕû¸ö¹¤³§×Ô¶¯»¯µÄÉý¼¶ £¬ÒªÇó±äƵÆ÷Äܹ»ÄÚÖà PROFIBUS-DP ×ÜÏßºÍ CANOPEN ×ÜÏß¡£

6¡¢³öÓÚά»¤ºÍÊÛºóµÄ˼Á¿ £¬¿Í»§ÒªÇó±äƵÆ÷ÄÚ¹ºÄÚÖà 90kW ºÍ 75kW Á½Ì×µç»ú²ÎÊý

Ϊ´Ë £¬¿Í»§Ñ¡ÔñÁË MV300G-4T90 µÄ±äƵÆ÷Á½Ì¨¡£

ËÄ¡¢Ë¢Ð¼ƻ®Ô­Àí

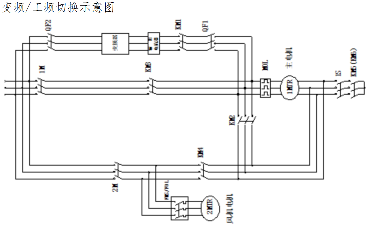
±äƵÆ÷½ÓÏßʾÒâͼ

Óɱ䯵Æ÷¡¢Ñ¹Á¦±äËÍÆ÷¡¢µ÷ÀíÒÇ¡¢µç»ú¡¢ÂÝÐýת×Ó×é³ÉѹÁ¦±Õ»·¿ØÖÆÏµÍ³×Ô¶¯µ÷Àíµç»úתËÙ , ʹ´¢Æø¹ÞÄÚ¿ÕÆøÑ¹Á¦ÎȹÌÔÚÉ趨¹æÄ£ÄÚ , ¾ÙÐкãѹ¿ØÖÆ¡£ÏµÍ³×é³ÉÈçÏÂͼËùʾ¡£

image.png

·´ÏìѹÁ¦ÓëÉ趨ѹÁ¦¾ÙÐнÏÁ¿ÔËËã £¬ÊµÊ±¿ØÖÆ±äÆµÆ÷µÄÊä³öƵÂÊ,´Ó¶øµ÷Àíµç»úתËÙ,ʹ´¢Æø¹ÞÄÚ¿ÕÆøÑ¹Á¦ÎȹÌÔÚÉ趨ѹÁ¦ÉÏ¡£

image.png

ͼÖÐQF1¡¢QF2ÊÇ¿ÕÆø¿ª¹Ø,Æð¸ôÀë×÷ÓÃ,ͬʱQF2Ò²ÊÇ±äÆµ¹ñµÄµçÔ´¿ª¹Ø;KM1¡¢KM3¡¢ºÍKM2¡¢KM4ÊÇÁ½¶Ô»úеÁªËø½Ó´¥Æ÷,Æð¸ôÀë×÷ÓᣱäƵʱ,KM1¡¢KM2ͬʱÎüºÏ,KM3¡¢KM4ͬʱ¶Ï¿ª;¹¤ÆµÊ±KM3¡¢KM4ͬʱÎüºÏ,KM1¡¢KM2ͬʱ¶Ï¿ª¡£±äƵÔËÐгÌÐò:½«QF1¡¢QF2ºÏÉÏ,ÓÉ¿ØÖÆ»ØÂ·½«KM3¡¢KM4¶Ï¿ª,KM1¡¢KM2ÎüºÏ,È»ºóÆð¶¯ÏµÍ³±äƵÔËÐÐ;¹¤ÆµÔËÐгÌÐò:½«QF1¡¢QF2¶Ï¿ª,ÓÉ¿ØÖÆ»ØÂ·½«KM3¡¢KM4ÎüºÏ,KM1¡¢KM2¶Ï¿ª,»Ö»Ø¸´À´¹¤ÆµÔËÐз½·¨¡£ÊäÈëµç¿¹Æ÷µÄ×÷ÓÃÊÇÒÖÖÆ±äƵÆ÷¶ÔÆäËü¿ØÖÆµçÆø×°±¸µÄ×ÌÈÅ,Êä³öµç¿¹Æ÷µÄ×÷ÓÃÊǸÄÉÆ±äƵÆ÷Êä³ö²¨ÐÎ,ïÔÌ­µç»ú±äƵÔËÐÐʱµÄÔëÉù,¼õСµç»ú±äƵÔËÐÐʱ·¢ÈÈ¡£ÆäÖÐ1MΪԭ¹¤ÆµÖ÷»ØÂ·½Ó´¥Æ÷,2MΪԭ¹¤ÆµÖ÷»ØÂ·¼°·ç»ú»ØÂ·½Ó´¥Æ÷,1SΪԭ¹¤Æµ»ØÂ·½Ó´¥Æ÷(1M¡¢2M¡¢1SÈýÕß×é³ÉÔ­¹¤ÆµÐÇ½ÇÆð¶¯Ö÷»ØÂ·),KM5¡¢KM6»®·ÖΪ1#ºÍ2#»ú×é¸ôÀë½Ó´¥Æ÷¡£

Î塢ϵͳµ÷ÊÔ

µ÷ÊÔÊÂÇé·Ö³ÉÁ½²¿·Ö:

1¡¢±äƵÆ÷Çý¶¯µç»úµ÷ÊÔ £¬°ü¹Ü±äƵÆ÷Çý¶¯µçÐÔÄÜÕý³£¼ÓËÙ £¬¼õËÙ £¬ºãËÙÔËÐÐ £¬±äƵÆ÷µçÁ÷ÎȹÌÎÞÕðµ´ £¬µç»úÊÂÇéÕý³£¡£´ËʱÐèÒªÊÓ²ì¿Õѹ»úµÄѹÁ¦ÉÏÉýÊÇ·ñÎȹÌ,ѹÁ¦±äËÍÆ÷ÏÔʾÊÇ·ñÕý³£,×°±¸Í£»úÊÇ·ñÕý³£µÈ¡£

±äƵÆ÷²ÎÊýÉ趨

¹¦Ð§Âë

Ãû³Æ

É趨

ÒâÒå

 

P02.00

µç»úÓëģʽѡÔñ

2

Òì²½µç»ú £¬V/F

 

P02.02

¿ØÖÆ·½·¨

1

¶Ë×Ó¿ØÖÆ

 

P02.04

Ö÷¸ø¶¨ÆµÂÊÔ´

5

Àú³Ì±Õ»·PID

 

P09.01

X2¶Ë×Ó¹¦Ð§

22

¹ÊÕϸ´Î»ÊäÈë

 

P12.01

½ÚÄÜÔËÐÐ

1

½ÚÄÜģʽ·­¿ª

 

P14.00

PID¸ø¶¨Í¨µÀ

2

AI2

 

P14.01

PID·´ÏìͨµÀ

0

AI1

 

2¡¢Ï½µµÍª¶¯µ÷ÊÔ¡£

ÔÚÍê³É±äƵÆ÷Çý¶¯µç»úµ÷½âºó,¾ÙÐÐϽµµÍª¶¯µ÷ÊÔ¡£µ÷ÊÔµÄÖ÷Òª°ì·¨:

¢Ù ½«±äƵÆ÷½ÓÈëϵͳ¡£

¢Ú ¾ÙÐй¤ÆµÅÔ·µÄÔËÐС£

¢Û ¾ÙÐÐ±äÆµ»ØÂ·µÄÔËÐÐ,ÆäÖаüÀ¨¿ª»·Óë±Õ»·¿ØÖÆÁ½²¿·Öµ÷ÊÔ:

Ö÷ÒªÒÀ¾Ý±äƵÆ÷ƵÂÊÉÏÉýÓëϽµµÄËÙÂʺͿÕѹ»úѹÁ¦µÄÉý½µÏàÆ¥Åä,²»Òª±¬·¢Ñ¹Á¦Õñµ´,»¹Òª×¢ÖØÊÓ²ì»úе¹²Õñµã,½«¹²ÕñµãÖÜΧµÄƵÂÊÌøÒÑÍù £¬ÒÔ¼°Í£»ú״̬Ï¿´ÄÜ·ñ˳ËìÇл»µ½¹¤Æµ×´Ì¬ £¬Õâ¸öÖ÷ÒªÊÇÑé֤ϵͳµÄ½ÓÏßÇéÐΡ£

Áù¡¢¿Õѹ»ú±äƵˢкóµÄÐ§Òæ

1¡¢½ÚÔ¼ÄÜÔ´

    ±äƵÆ÷¿ØÖÆÑ¹Ëõ»úÓë¹Å°å¿ØÖƵÄѹËõ»ú½ÏÁ¿,ÄÜÔ´½ÚÔ¼ÊÇÓÐÏÖʵÒâÒåµÄ £¬Æ¾Ö¤¿ÕÓîÁ¿ÐèÇóÀ´¹©Ó¦µÄѹËõ»ú¹¤¿öÊǽÏΪ¾­¼ÃµÄÔËÐÐ״̬¡£Ï±íÊÇÖ÷»úΪ75kwµÄ¿Õѹ»úË¢ÐÂǰºóµç»úµÄ²âÊÔ²ÎÊý±í:

 

µçÁ÷£¨A£©

µçѹ£¨V£©

ƵÂÊ£¨Hz£©

ÏÖʵ¹¦ÂÊ£¨KW£©

½ÚµçÂÊ£¨%£©

Ë¢ÐÂǰ

122

380

50

65.3

0

ˢкó

110

221

29

38.1

41.9

    ´ÓÉϱí¿É֤ʵ,½ÚµçЧ¹ûÊ®Ã÷È·ÏÔ¡£ÈôÊÇ¿Õѹ»úÿÄê°´300ÌìÊÂÇéÈÕÅÌËã,ÔòÿÄê¿É½ÚÔ¼µçÄÜ19.58Íò¶È¡£

2¡¢ÔËÐб¾Ç®½µµÍ

    ¹Å°åѹËõ»úµÄÔËÐб¾Ç®ÓÉÈýÏî×é³É:³õʼ²É¹º±¾Ç®¡¢Î¬»¤±¾Ç®ºÍÄÜÔ´±¾Ç®¡£ÆäÖÐÄÜÔ´±¾Ç®Ô¼ÄªÕ¼Ñ¹Ëõ»úÔËÐб¾Ç®µÄ77%¡£Í¨¹ýÄÜÔ´±¾Ç®½µµÍ41.9%,ÔÙ¼ÓÉÏ±äÆµÆð¶¯ºó¶Ô×°±¸µÄ¹¥»÷ïÔÌ­,ά»¤ºÍάÐÞÁ¿Ò²×·Ëæ½µµÍ,ÒÔÊÇÔËÐб¾Ç®½«´ó´ó½µµÍ¡£

3¡¢Ìá¸ßѹÁ¦¿ØÖƾ«¶È

    ±äƵ¿ØÖÆÏµÍ³¾ßÓÐ׼ȷµÄѹÁ¦¿ØÖÆÄÜÁ¦¡£Ê¹Ñ¹Ëõ»úµÄ¿ÕÆøÑ¹Á¦Êä³öÓëÓû§¿ÕÆøÏµÍ³ËùÐèµÄÓîÁ¿ÏàÆ¥Åä¡£±äƵ¿ØÖÆÑ¹Ëõ»úµÄÊä³öÓîÁ¿Ëæ×ŵç»úתËÙµÄ¸Ä±ä¶ø¸Ä±ä¡£ÓÉÓÚ±äÆµ¿ØÖƵç»úËÙÂʵľ«¶ÈÌá¸ß,ÒÔÊÇËü¿ÉÒÔʹ¹ÜÍøµÄϵͳѹÁ¦×ª±ä¼á³ÖÔÚ3pisgת±ä¹æÄ£,Ò²¾ÍÊÇ0.2bar¹æÄ£ÄÚ,ÓÐÓõØÌá¸ßÁ˹¤¿öµÄÖÊÁ¿¡£

4¡¢ÑÓÉìѹËõ»úµÄʹÓÃÊÙÃü

    ±äƵÆ÷´Ó0HzÆð¶¯Ñ¹Ëõ»ú,ËüµÄÆð¶¯¼ÓËÙʱ¼ä¿ÉÒÔµ÷½â,´Ó¶øïÔÌ­Æð¶¯Ê±¶ÔѹËõ»úµÄµçÆ÷²¿¼þºÍ»úе²¿¼þËùÔì³ÉµÄ¹¥»÷,ÔöǿϵͳµÄ¿É¿¿ÐÔ,ʹѹËõ»úµÄʹÓÃÊÙÃüÑÓÉì¡£±ðµÄ,±äƵ¿ØÖÆÄܹ»ïÔÌ­»ú×éÆð¶¯Ê±µçÁ÷²¨¶¯,ÕâÒ»²¨¶¯µçÁ÷»áÓ°ÏìµçÍøºÍÆäËü×°±¸µÄÓõç,±äƵÆ÷Äܹ»ÓÐÓõĽ«Æð¶¯µçÁ÷µÄ·åÖµïÔÌ­µ½½ÏµÍˮƽ¡£

5¡¢½µµÍÁË¿Õѹ»úµÄÔëÒô

    ƾ֤ѹËõ»úµÄ¹¤¿öÒªÇó,±äƵµ÷ËÙˢкó,µç»úÔËתËÙÂÊÏÔ׿õÂý,Òò´ËÓÐÓõؽµÁË¿Õѹ»úÔËÐÐʱµÄÔëÒô¡£ÏÖ³¡²â¶¨Åú×¢,ÔëÒôÓëԭϵͳ½ÏÁ¿Ï½µÔ¼5·Ö±´¡£

ÍøÕ¾µØÍ¼